産品特點:
膜盒壓力表又稱微壓表。适用于測量無爆炸危險、不結晶、不凝固,以及對銅和銅合金無腐蝕作用的液體、氣體或蒸汽的低微壓力。
産品應用:應用于鍋爐通風和氣體管道等設備上,在耐腐要求👩🏿❤️💋👨🏽較高的工☠️藝流程中測量各種氣體介質的微壓和負壓。精确度等級:2.5
.jpg)
|
一.概述 |
||||||||||||||||||||||
|
膜盒壓力表采用膜盒作爲測量微小壓力的敏感元件。測量對銅合金不起作用、無爆炸危險氣體的微壓和負🧎🏻♀️➡️壓,廣泛用于鍋~爐通風、氣體管道、燃燒裝置等及其它類似設備上。 |
||||||||||||||||||||||
|
二.結構原理 |
||||||||||||||||||||||
|
儀表由測量系統(包括接頭、膜盒等)、傳動機構、指示裝🎅🏿置和外殼組成。 |
||||||||||||||||||||||
|
三.型号命名 |
||||||||||||||||||||||
|
|
|
|||||||||||||||||||||
|
四.技術參數 |
||||||||||||||||||||||
|
● 标度範圍、精确度等級及重量 |
||||||||||||||||||||||
|
||||||||||||||||||||||
|
● 工作位置、環境:儀表垂直安裝,工作環境溫度-25~ |
||||||||||||||||||||||
|
||||||||||||||||||||||
|
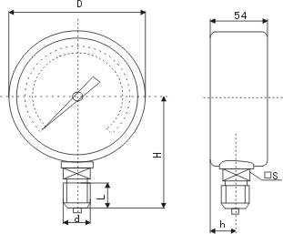
五.外形尺寸 |
||||||||||||||||||||||
|
單位:mm |
||||||||||||||||||||||
|
|
||||||||||||||||||||||
|
||||||||||||||||||||||