産品特點:
配電式隔離器(通常稱配電器)的作用是爲原工業現場提供一🧎🏻♀️➡️種兩線制傳輸方式,既要爲變送器等一次儀表😁提供24V配電👽電源,同時又要對輸入的電流信号進行采集、放大、運算、和進😁行抗幹擾處理後,再輸出隔離的電流和☠️電壓信号,供後面的二次儀表或其它儀表使用。
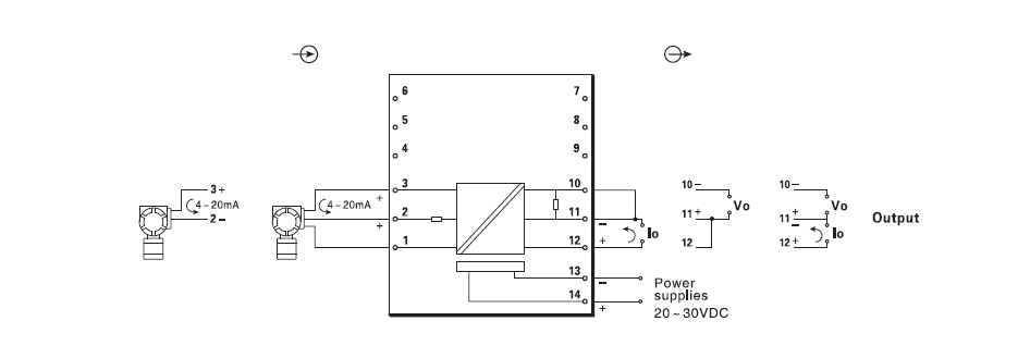
産品應用:将變送器4~20mA信号隔離傳送。可選擇4~20mA或1~5V信号輸出,或其它所需的🧜🏼♂️直流信号,模塊化表芯設計,無需零點和🎅🏿滿度調節。帶有🛀🏼工作電源指示燈。
.jpg)
CML2020D 電流信号輸入配電隔離器(一入一出)
CML2020D 配電隔離器是向現場的變送器提供隔離的電源電壓,并将變✍🏻送器産生的 4~20mA信号經本隔離器轉換成所需的直🙂↕️流信号至💫控制系統或其它智能儀表。LDG8041電流信号輸入配電隔離✋器需要獨立供電,供電電源👋-輸入回路-輸出回路之間電磁隔離。 一、CML2020D 配😈電隔離器😁特性: 1、給變送器提供驅動💫電壓16.5~28V; 2、将變送器4~20mA信号隔離😮💨傳送,其它所⛹🏻♂️需的直流信号; 3、模塊化表芯設計,無需零點和滿度調節; 4、單通道🧑🏽❤️💋🧑🏻,一路輸入👽一路輸出,輸入🎅🏿回路短路保護; 5、帶有工作電源指示燈😁;