産品特點:
金屬管浮子流表采用可變面積式測量原理生産👌研究,适用于測量液體,氣體。全金屬結構,有指示型、電遠🎅🏿傳型😁、耐腐💘型、高壓型、夾套型、防爆型。具有 0-10mA,4-20mA的标準模拟量信号🥑️輸出和✡️現場指示。累積,數字通訊,現場修改測量參數,不同的供電方式功能,帶有磁性過濾器和特殊規格品種。
産品應用:廣泛應用于,石油、化工、發電、制藥、食品、水處理等。複雜,惡劣環境條件,及各種介質條件的流量測量過程中。
.jpg)
ZY-LZ金屬管轉子流量計的傳感器部分可采用不鏽鋼(1Crl8Ni9Ti)、钼二钛(316、316L),以及内襯聚四氟乙烯等材料,根據用戶要求也可用特殊材料制造,以适應腐蝕性流體(如氯氣、鹽水、鹽酸、硝酸和硫酸等)的流量測量。
ZY-LZ金屬管轉子流量計是采用可變面積式測量原理,用于連續測量封閉管道中的液體和氣體的體積流量。具有結構堅固可靠👽、适用溫度範圍廣、精度高、價格便宜,能适用多💫種場合😥的流量測量等特點。本系列爲現場指示型,有下進上出、左進右出和下進側出三種安裝形式。可廣泛适用于國防、化工、石油、冶金、電力、環保、醫藥😁和輕工業等部門的液體、氣體流量測量。
電遠傳型金屬管浮子流量計輸出爲4~20mA标準電流信号🏊🏿♀️,可與DDZ-II或DDZ-III電動單元組合儀表配套使用,也可直接輸出計算機系統,參🧑🏾🎄與系統的監控。本儀表可根據🏃🏿♀️➡️用戶需求,加裝上下限報警。
一、金屬管轉子流量計測量原理:
|
ZY-LZ金屬管轉子流量計的浮子垂直安裝在錐形測量管内,由于流體的作用,它可以💁🏼♀️在錐形管中上下自由移動,浮子的外緣直徑👩🏼❤️👨🏾與錐💑🏾形管形成的環形面積随着浮子位置的變化而變化,當流體的流量穩定在某⛹🏻♀️一數值時,浮子也在某一個位置處于一種👨🦰動平衡狀态,它與錐形管之間的環形面積也保持恒定,此時,浮子受到三個力的作用:浮子向下的重量W,向上的浮力🧛🏽F和流體的動力P,這三個力達到平衡。根據流體動力學的柏👺努力方程,力平衡方程和流體的連續性定理,可👹以計算出流體通過環形面積的平均瞬時流量。 |
|
二、主要技術參數:
|
1、基型金屬管轉子流量計: (1)測量範圍:水(20℃) 2.5~150000L/h、 空氣(20℃,0.1013MPa)0.07~4000Nm3/h; (2)量程比:10:1; (3)精度:1.5/2.5; (4)工作壓力:≤6.4MPa; (5)工作溫度:-40~350℃(氟塑料襯裏-10~80℃); (6)環境溫度:-20~80℃; (7)介質粘度:DN15≤5mPa.S、DN25~DN150≤250mPa.S; (8)管體材質:1Cr18Ni9Ti,316L,内襯PTEF等; (9)過程連接:法蘭,或按用戶提供; (10)蒸汽夾套頭:法蘭:DN15/PN1.6,或按用戶提供。 |
2、帶遠傳金屬管轉子流量計: (1)基本誤差:1.5%F.S; (2)輸出信号:4 ~ 20mA; (3)負載阻抗:350Ω; (4)電源電壓:24V DC; (5)環境溫度:-30 ~ 80℃; (6)出線口:M20×1.5; (7)防爆标志:ExibIICT4;
|
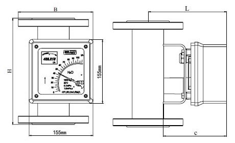
三、金屬管轉子流量計計外形尺寸圖:
|
|
|
|
|
|
|
下進上出 |
防腐型 |
上進下出 |
下進側出 |
夾套型 |
水平安裝 |
|
通徑 (DN) |
L (mm) |
H (mm) |
B (mm) |
|
|
15 |
150 |
250 |
220 |
|
|
25 |
150 |
250 |
230 |
|
|
50 |
175 |
250 |
270 |
|
|
80 |
210 |
250 |
300 |
|
|
100 |
230 |
250 |
320 |
|
|
150 |
265 |
400 |
360 |
|
|
200 |
300 |
500 |
390 |
四、金屬管浮子流量計流量範圍表:
|
通徑(mm) |
流 量 範 圍 |
壓力損失kPa |
|||
|
水L/h |
空氣M3/h |
水 |
空氣 |
||
|
常規型 |
防腐型 |
常規型、防腐型 |
|||
|
DN15 |
2.5~25 |
--- |
0.07~0.7 |
6.5 |
7.1 |
|
4.0~40 |
2.5~25 |
0.11~1.1 |
6.5 |
7.2 |
|
|
6.3~63 |
4.0~40 |
0.18~1.8 |
6.6 |
7.3 |
|
|
10~100 |
6.3~63 |
0.28~2.8 |
6.6 |
7.5 |
|
|
16~160 |
10~100 |
0.40~4.0 |
6.8 |
8.0 |
|
|
25~250 |
16~160 |
0.7~7.0 |
7.2 |
10.8 |
|
|
40~400 |
25~250 |
1.0~10 |
8.6 |
10.0 |
|
|
63~630 |
40~400 |
1.6~16.0 |
11.1 |
14.0 |
|
|
DN25 |
100~1000 |
63~630 |
3~30 |
7.0 |
7.7 |
|
160~1600 |
100~1000 |
4.5~45 |
8.0 |
8.8 |
|
|
250~2500 |
160~1600 |
7~70 |
10.8 |
12.0 |
|
|
400~4000 |
250~2500 |
11~110 |
15.8 |
19.0 |
|
|
DN40 |
500~5000 |
--- |
12~120 |
10.8 |
9.8 |
|
600~6000 |
---- |
16~160 |
12.6 |
16.5 |
|
|
DN50 |
630~6300 |
400~4000 |
18~180 |
8.1 |
8.6 |
|
1000~10000 |
630~6300 |
25~250 |
11.0 |
10.4 |
|
|
1600~16000 |
1000~10000 |
40~400 |
17.0 |
15.5 |
|
|
DN80 |
2500~25000 |
1600~16000 |
60~600 |
8.1 |
12.9 |
|
4000~40000 |
2500~25000 |
80~800 |
9.5 |
18.5 |
|
|
DN100 |
6300~63000 |
4000~40000 |
100~1000 |
15.0 |
19.2 |
|
DN150 |
20000~100000 |
--- |
600~3000 |
19.2 |
20.3 |
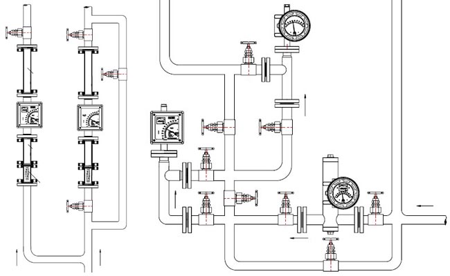
五、金屬管浮子流量計安裝示意圖:
六、金屬管轉子流量計選型表:
|
ZY-LZ |
金屬管轉子流量計 |
||||||||||||||
|
口徑 (mm) |
15 |
DN15 |
80 |
DN80 |
|||||||||||
|
25 |
DN20 |
100 |
DN100 |
||||||||||||
|
40 |
DN40 |
150 |
DN150 |
||||||||||||
|
50 |
DN50 |
200 |
DN200 |
||||||||||||
|
結構形式 |
/ |
下進上出 |
AA |
側進側出 |
|||||||||||
|
H1 |
左進右出 |
LA |
低進側出 |
||||||||||||
|
H2 |
右進左出 |
S |
螺紋安裝 |
||||||||||||
|
M |
衛生型快裝式 |
||||||||||||||
|
本體材質 |
R1 |
321不鏽鋼 |
RH |
哈氏合金C |
|||||||||||
|
R4 |
304不鏽鋼 |
RT |
钛 |
||||||||||||
|
R6 |
316不鏽鋼 |
RF |
不鏽鋼襯四氟 |
||||||||||||
|
指示器類型 |
7 |
指針顯示瞬時流量 |
|||||||||||||
|
9 |
LCD顯示瞬時與累積 |
||||||||||||||
|
供電及輸出信号 |
K |
4~20mA DC24V |
|||||||||||||
|
Z |
4~20mA DC24V+HART協議 |
||||||||||||||
|
D |
锂電池供電帶液晶表頭 |
||||||||||||||
|
報警輸出 |
/ |
無報警輸出 |
|||||||||||||
|
1 |
帶一個報警輸出 |
||||||||||||||
|
2 |
帶兩個報警輸出 |
||||||||||||||
|
測量介質 |
L |
液體 |
|||||||||||||
|
G |
氣體 |
||||||||||||||
|
附加選項 |
T |
測量管帶保溫夾套 |
|||||||||||||
|
B |
防爆(ExII CT6) |
||||||||||||||