産品特點:
分體式電磁流量計主要用于測量封閉管道中的導🧛🏽電液體和漿液中的體積流量。包括酸、堿、鹽等強腐蝕性的液體。
産品應用:該産品廣泛應用于石油、化工、冶金、紡織、食品、制藥、造紙等行業以及環保、市政管理,水利建設等領域。
.jpg)
一、概 述
ZY-LDE-F分體式電磁流量計由傳感器和轉換器兩部分構成。它是基于法拉第電磁😁感應定律工作的,用來測量電導率大于5μS/cm導電液體的體積流量,是一種測量導電介質體積流量的感應式儀表。除可測量一般導電液體的體積流量外,還可㊙️用于👻測量💁🏼♀️強酸強堿等強腐蝕液體和泥漿、礦漿、紙漿等均😌勻的液👋固兩相🧛🏾♀️懸浮液體的體積流量。廣泛應用于石油、化工、冶金、輕紡、造紙、環保、食品等工業部門及市政管理,水利建設、河流疏👨🏻🏭浚等領域的流💘量計量。
二、工作原理
分體式電磁流量計根據法拉第電磁感應原理,在與測量管軸線和磁力♌️線相垂💞直的管壁上安裝了一對檢測電極,當導電液體沿測量管軸線運動時,導電液體切割磁力🙈線産生感應電勢,此感應電勢由兩個檢測電極檢出,數值大小與流量成正比例,其值爲:
E=KBVD
式中:
E-感應電勢;
K-與磁場分布及軸向長度有關的系數;
B-磁感應強度;
V-導電液體平均流速;
D-電極間距;(測量管内直徑)
傳感器将感應電勢E作爲流量信号,傳送到轉換器,經放大,變換濾波用一系列的㊙️數字處理後,用帶背光的點陣式液晶顯示瞬時流量和累積流量。轉換器有4~20mA輸出,報警輸出及頻率輸出,并設有RS-485等通訊接口,并支持HART和MODBUS協議。
三、儀表特點
■全數字量處理,抗幹擾能力強,測量可靠,精度高、流🏃🏿♀️➡️量測量範圍可達150:1;
■超低EMI開關電源,适用電源電壓變化範圍大,抗EMI性能好;
■采用16位嵌入式微處理器,運算速度快,精度高,可編程頻率低頻矩形波勵磁,提高了流量測量的
穩定性,功耗低;
■采用SMD器件和表面貼裝(SMT)技術,電路可靠性高;
■管道内無可動部件,無阻流部件,測量中幾乎沒有附加壓力💘損👻失;
■在現場可根據用戶實際需要在線修改量程;
■測量結果與流速分布,流體壓力,溫度、密度、粘度等🧑🏻❤️🧑🏼物理參數無關;
■高清晰度背光LCD顯示,全中文菜單操作,使用方便,操作簡單,易學易懂;
■具有RS485、RS232、Hart和Modbus等數字通訊信号輸出;(選配)
■具有自檢與自診斷功能;
■小時總量計錄功能,以小時爲單位記錄流量總量,适用于分時計量制(選配);
■内部具有三個積算器可分别顯示正向累積量反向累積量及🧛🏽差值積算量,内部設有不掉電時鍾,可記
錄16次掉電時間。(選配);
■紅外手持操作器,115KHZ通訊速率,遠距離非接觸操作轉換器所有功能(選配)。
|
表1 |
|||||||||||||||||||||||||||||||||||||||||||||||||||||||||||||||||||||||||||||||||||||||||||||||||||||||||||||||||||||||||||||||||||||||||||||||||||||||||||||||||||||||||||||||||||||||||||||||||||||||||||||||||||||||||||||||||||||||||||||||||||||||||||||||||||||||||||||||||||||||||||||||||||||||||||||||
|
|||||||||||||||||||||||||||||||||||||||||||||||||||||||||||||||||||||||||||||||||||||||||||||||||||||||||||||||||||||||||||||||||||||||||||||||||||||||||||||||||||||||||||||||||||||||||||||||||||||||||||||||||||||||||||||||||||||||||||||||||||||||||||||||||||||||||||||||||||||||||||||||||||||||||||||||
|
1.選型代碼 |
|||||||||||||||||||||||||||||||||||||||||||||||||||||||||||||||||||||||||||||||||||||||||||||||||||||||||||||||||||||||||||||||||||||||||||||||||||||||||||||||||||||||||||||||||||||||||||||||||||||||||||||||||||||||||||||||||||||||||||||||||||||||||||||||||||||||||||||||||||||||||||||||||||||||||||||||
|
表2 |
|||||||||||||||||||||||||||||||||||||||||||||||||||||||||||||||||||||||||||||||||||||||||||||||||||||||||||||||||||||||||||||||||||||||||||||||||||||||||||||||||||||||||||||||||||||||||||||||||||||||||||||||||||||||||||||||||||||||||||||||||||||||||||||||||||||||||||||||||||||||||||||||||||||||||||||||
|
|||||||||||||||||||||||||||||||||||||||||||||||||||||||||||||||||||||||||||||||||||||||||||||||||||||||||||||||||||||||||||||||||||||||||||||||||||||||||||||||||||||||||||||||||||||||||||||||||||||||||||||||||||||||||||||||||||||||||||||||||||||||||||||||||||||||||||||||||||||||||||||||||||||||||||||||
|
|
|||||||||||||||||||||||||||||||||||||||||||||||||||||||||||||||||||||||||||||||||||||||||||||||||||||||||||||||||||||||||||||||||||||||||||||||||||||||||||||||||||||||||||||||||||||||||||||||||||||||||||||||||||||||||||||||||||||||||||||||||||||||||||||||||||||||||||||||||||||||||||||||||||||||||||||||
|
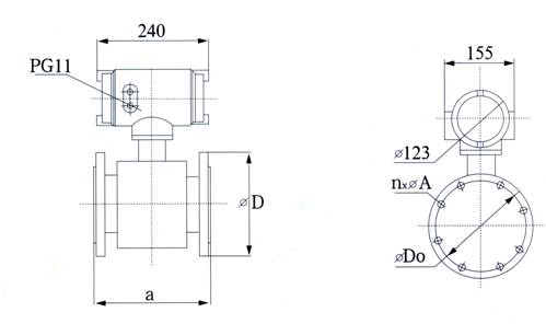
1.流量計外形尺寸 |
|
||||||||||||||||||||||||||||||||||||||||||||||||||||||||||||||||||||||||||||||||||||||||||||||||||||||||||||||||||||||||||||||||||||||||||||||||||||||||||||||||||||||||||||||||||||||||||||||||||||||||||||||||||||||||||||||||||||||||||||||||||||||||||||||||||||||||||||||||||||||||||||||||||||||||||||||
|
圖1 |
|
||||||||||||||||||||||||||||||||||||||||||||||||||||||||||||||||||||||||||||||||||||||||||||||||||||||||||||||||||||||||||||||||||||||||||||||||||||||||||||||||||||||||||||||||||||||||||||||||||||||||||||||||||||||||||||||||||||||||||||||||||||||||||||||||||||||||||||||||||||||||||||||||||||||||||||||
|
表6 |
|
DN |
a |
D |
Do |
n×A |
|
10 |
230 |
90 |
60 |
4×14 |
|
15 |
230 |
95 |
65 |
4×14 |
|
20 |
230 |
105 |
75 |
4×14 |
|
25 |
230 |
115 |
85 |
4×14 |
|
32 |
230 |
140 |
100 |
4×18 |
|
40 |
230 |
150 |
110 |
4×18 |
|
50 |
230 |
165 |
125 |
4×18 |
|
65 |
230 |
185 |
145 |
4×18 |
|
80 |
230 |
200 |
160 |
8×18 |
|
100 |
230 |
220 |
180 |
8×18 |
|
125 |
280 |
250 |
210 |
8×18 |
|
150 |
280 |
285 |
240 |
8×22 |
|
200 |
310 |
340 |
295 |
8×22 |
|
250 |
360 |
395 |
350 |
12×22 |
|
300 |
460 |
445 |
400 |
12×22 |
|
350 |
460 |
505 |
460 |
16×22 |
|
400 |
460 |
565 |
515 |
16×26 |
|
450 |
460 |
615 |
565 |
20×26 |
|
500 |
600 |
670 |
620 |
20×26 |
|
600 |
600 |
780 |
725 |
20×30 |
|
700 |
700 |
895 |
840 |
24×33 |
|
800 |
800 |
1015 |
950 |
24×33 |
|
900 |
900 |
1115 |
1050 |
28×33 |
|
1000 |
1000 |
1230 |
1160 |
28×36 |
|
1200 |
1200 |
1405 |
1340 |
32×33 |
|
1400 |
1400 |
1630 |
1560 |
36×36 |
|
1600 |
1600 |
1830 |
1760 |
40×36 |
|
1800 |
1800 |
2045 |
1970 |
44×39 |
|
2000 |
2000 |
2265 |
2180 |
48×42 |
|
2200 |
2200 |
2405 |
2315 |
52×45 |



