|
一.用途說明
|
|
耐震壓力表主要用于冶金、電力、石油、化工、輕工、機👿械等工業☠️部門的壓力檢測。壓力表依靠内部充灌阻尼油和配套緩沖裝置😸等措施。具有良好的耐震性能。适用于被測介質🛌🏻的壓力有強烈👧🏾脈沖變化或壓力沖擊和在工藝中經常突然卸何的場合,以及環境震動較大的場所。儀表能測氣體、液體脈動壓力的平均值。以克服介質強烈🚶🏾♀️➡️脈沖及環境震動對👌儀表帶來😁的損害,确保讀數的準确💌性。
不鏽鋼耐震壓力表的外殼用不鏽鋼材料制成(簡稱半鋼),可💌在有腐蝕性、振動較大的惡劣環境中使用。
|
|
二.型号命名
|
|
|
|
|
|

YTN-100Z
|

YTN-150ZT-BF
|
|
|
三.技術參數
|
|
型号
|
結構形式
|
精确度%
|
測量上限MPa
|
|
YTN-60
YTN-60ZT
YTN-60B
YTN-63B
|
徑向
軸向帶邊
徑向
軸向帶邊
|
2.5
|
0~0.1;0~0.16;0~0.25;0~0.4;0~0.6;0~1.0;
0~1.6;0~2.5;0~4.0;0~6.0;0~10;
0~16;0~25;0~40
|
|
YTN-100
YTN-100ZT
YTN-100B
YTN-103B
|
徑向
軸向帶邊
徑向
軸向帶邊
|
1.6
|
0~0.1;0~0.16;0~0.25;0~0.4;0~0.6;0~1.0;
0~1.6;0~2.5;0~4.0;0~6.0;0~10;
0~16;0~25;0~40;0~60
|
|
YTN-150
YTN-150ZT
YTN-150B
YTN-150B
|
徑向
軸向帶邊
徑向
軸向帶邊
|
0~0.1;0~0.16;0~0.25;0~0.4;0.0~6;0~1.0;
0~1.6;0~2.5;0~4.0;0~6.0;0~10;
0~16;0~25;0~40;0~60;0~100
|
|
|
使用環境溫度:-5~55℃(表殼内充甘油);
-25~55℃(表殼内充矽油)。
|
|

YZ-□
|

YZ-□T
|
|

YTN-□Z
|

YTN-□ZT
|
|
|
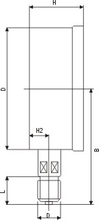
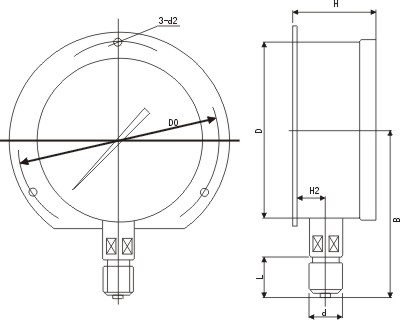
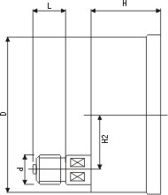
型号
|
D
|
d
|
L
|
d0
|
B
|
H
|
d2
|
H1
|
H2
|
|
YTN-60
|
φ60
|
M14×1.5
|
14
|
|
55
|
32
|
|
|
13
|
|
YTN-60ZT
|
76
|
65
|
32
|
4.5
|
27
|
0
|
|
YTN-60B
|
|
55
|
32
|
|
|
13
|
|
YTN-63B
|
76
|
65
|
32
|
4.5
|
27
|
0
|
|
YTN-100
|
φ100
|
M20×1.5
|
20
|
|
90
|
44
|
|
|
18
|
|
YTN-100ZT
|
118
|
90
|
44
|
5.5
|
27
|
30
|
|
YTN-100B
|
|
90
|
44
|
|
|
18
|
|
YTN-103B
|
118
|
90
|
44
|
5.5
|
27
|
30
|
|
YTN-150
|
φ150
|
M20×1.5
|
20
|
|
120
|
44
|
|
|
18
|
|
YTN-150ZT
|
165
|
95
|
44
|
5.5
|
27
|
55
|
|
YTN-150B
|
|
120
|
44
|
|
|
18
|
|
YTN-153B
|
165
|
95
|
44
|
5.5
|
27
|
55
|
|
|
備注:連接螺紋可按要求訂貨。
|